This office is closed on weekends. We are open Monday through Friday at 8:00 AM (Central Standard Time).

+8618730921709 | Hours:8am-6pm csT, Monday-Friday​

What is a KR oil seal?

What is a KR oil seal

What is a KR oil seal

KR oil seal are high-performance, compact hydraulic piston seals designed for double-acting cylinders, renowned for their superior dynamic sealing performance, low coefficient of friction, and high-pressure resistance. As a standardized product conforming to ISO 7425/1, KR oil seals have become the preferred choice for engineers seeking reliable seals in compact hydraulic systems, effectively solving common industry challenges such as internal leakage, excessive wear, and installation difficulties.

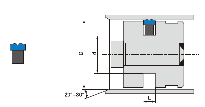
Core Design & Structure of the KR Oil Seal

Core Design & Structure of the KR Oil Seal

The KR oil seal is a composite, two-part sealing assembly meticulously designed for optimal performance in reciprocating motion. Its compact profile is a key differentiator, allowing it to fit in standard, short-length grooves.

  1. Outer Sliding Ring (Wear Ring): Typically constructed from high-modulus polyurethane (PU) or engineered thermoplastics like POM (Acetal). This rigid component provides exceptional wear resistance, low friction against the cylinder bore, and excellent anti-extrusion properties, protecting the softer elastomer from damage under high pressure.
  2. Inner Elastic Element (Expansion Ring): A square-cut ring made from high-quality elastomers, primarily Nitrile Rubber (NBR) or Fluorocarbon Rubber (FKM/Viton). This element acts as the primary sealing agent, exerting constant radial pressure to maintain a tight seal under both dynamic (moving) and static (stationary) conditions.
This combined design creates a robust unitized seal that is easy to install and delivers superior performance compared to traditional multi-component seal stacks.

Key Performance Advantages of KR Oil Seals

What truly sets the KR oil seal apart in hydraulic systems is its combination of performance benefits that directly address critical operational pain points:

  • Superior Dynamic & Static Sealing: The KR oil seal offers an excellent sealing rate for both pressurized dynamic movement and static hold conditions, minimizing internal leakage and ensuring precise control in hydraulic circuits.
  • Extreme Pressure Resistance: Capable of operating efficiently at pressures up to 300 bar (4,350 psi), making it suitable for medium-to-high pressure industrial and mobile hydraulic applications.
  • Low Friction & Non-Stick Operation: The hard plastic/PU sliding ring ensures smooth movement with minimal stick-slip, reducing energy consumption, heat generation, and premature seal wear.
  • Excellent Wear Resistance: The KR oil seal exhibits outstanding durability, even in environments with minor fluid contamination, significantly extending service intervals and reducing downtime.
  • Compact & Space-Saving: Its short axial length is ideal for modern compact cylinder designs where installation space is limited.
  • Unidirectional Flexibility: While designed for double-acting cylinders, the KR oil seal can also function effectively as a unidirectional seal, offering design flexibility.
  • Standardized Compatibility: Fully compatible with ISO 7425/1 standard grooves, ensuring easy interchangeability and simplified inventory management.

Material Options for KR Oil Seals

Material Options for KR Oil Seals

The performance of a KR oil seal is heavily dependent on material selection, which must be matched to the operating fluid, temperature, and environment.

1. Standard: NBR / PU Combination


Sliding Ring: Polyurethane (PU)
Elastic Element: Nitrile Butadiene Rubber (NBR)
Temperature Range: -35°C to +110°C (briefly up to 125°C)
Best For: General industrial hydraulic systems using mineral oil-based fluids. Offers an optimal balance of performance and cost.


2. High-Performance: FKM (Viton) / PU Combination


Sliding Ring: Polyurethane (PU) or POM
Elastic Element: Fluorocarbon Rubber (FKM/Viton)
Temperature Range: -20°C to +200°C
Best For: High-temperature environments, systems with synthetic oils, or applications requiring resistance to aggressive chemicals.


3. Special: Wear-Resistant POM Combinations


Sliding Ring: Polyoxymethylene (POM/Acetal)
Best For: High-wear environments or applications requiring extremely low friction.

Primary Applications of KR Oil Seals

The KR oil seal is versatile and widely adopted across industries that demand reliable, compact, high-pressure hydraulic sealing:
 
  • Mobile Hydraulics: Agricultural machinery (tractors, harvesters), construction equipment (loaders, excavators), forklifts, and automotive steering systems (especially power steering cylinders).
  • Industrial Hydraulics: Standard industrial hydraulic cylinders, machine tools, injection molding machines, and presses.
  • Specialty Equipment: Any compact hydraulic cylinder where minimizing internal leakage is critical.

KR Oil Seal vs. Other Common Hydraulic Seals (OK, OE)

To fully understand the value of a KR oil seal, it’s helpful to compare it with other popular piston seal profiles:

FeatureKR Oil SealOK SealOE Seal
Primary DesignCompact 2-part (PU+NBR)Robust 2-part (POM+NBR)Single-acting U-cup
Max PressureUp to 300 barUp to 500 barUp to 400 bar
Max Speed≤ 0.5 m/s≤ 1.0 m/s≤ 4.0 m/s
Key StrengthBalanced performance, low leakageExtreme high-pressure, durabilityHigh-speed, low-friction
Best ForGeneral industrial & mobile hydraulicsHeavy-duty, high-impact machineryHigh-speed automation
ISO StandardISO 7425/1ISO 7425/3ISO 7425/2
KR Oil Seal vs. Other Common Hydraulic Seals (OK, OE)

Common Failure Modes & Prevention for KR Oil Seals

Even the highest-quality KR oil seal can fail prematurely if misapplied or poorly installed. Here are the primary failure modes and how to prevent them:

  • Extrusion & Nibbling:
    • Cause: Excessive pressure, insufficient gland groove depth, or sharp edges on the cylinder.
    • Prevention: Ensure system pressure does not exceed 300 bar, use correctly sized grooves, and deburr all metal components.
     
  • Abrasive Wear:
    • Cause: Contaminated hydraulic fluid or poor surface finish on the cylinder bore.
    • Prevention: Maintain clean fluid with effective filtration and ensure a smooth surface finish (Ra 0.2–0.8 μm).
     
  • Thermal Degradation:
    • Cause: Operating temperatures exceeding the material’s limit.
    • Prevention: Select the correct material (e.g., FKM for high heat) and monitor system temperatures.
     
  • Installation Damage:
    • Cause: Forcing the seal over sharp threads or using improper tools.
    • Prevention: Use installation sleeves, apply lubricant, and follow proper assembly procedures.

Conclusion

The KR oil seal is a highly engineered, versatile solution that excels in balancing sealing performance, friction, and durability in compact hydraulic systems. Its standardized design, high-pressure capability, and excellent resistance to wear and leakage make it an indispensable component for engineers and maintenance professionals aiming to optimize system reliability and efficiency. When selecting a seal for your medium-duty hydraulic application, the KR oil seal should be a top contender, offering a proven solution to your most critical sealing challenges.

Related Posts

Scroll to Top